03 数据结构
底层数据结构
参考文献
1 动态字符串SDS
Redis构建了 简单动态字符串(simple dynamic string,SDS)来表示字符串值。
SDS还被用作缓冲区:AOF缓冲区,客户端状态中的输入缓冲区。
SDS 代码实现
每个sds.h/sdshdr结构表示一个SDS值:
1 | struct sdshdr { |

SDS遵循C字符串以空字符结尾的管理,空字符不计算在len属性中。这样,SDS可以重用一部分C字符串函数库,如printf。
SDS 特点(与C字符串的不同)
常数复杂度获取字符串长度。
- C字符串必须遍历整个字符串才能获得长度,复杂度是O(N)。
- SDS在len属性中记录了SDS的长度,复杂度为O(1)。
杜绝缓冲区溢出。
- C字符串不记录长度的带来的另一个问题是缓冲区溢出。假设s1和s2是紧邻的两个字符串,对s1的strcat操作,有可能污染s2的内存空间。
- SDS的空间分配策略杜绝了缓冲区溢出的可能性:但SDS API修改SDS时,会先检查SDS的空间是否满足修改所需的要求,不满足的话,API会将SDS的空间扩展至执行修改所需的大小,然后再执行实际的修改操作。
减少修改字符串时带来的内存重分配次数。
- 每次增长或缩短一个C字符串,程序都要对保存这个C字符串的数组进行一次内存重分配操作。Redis作为数据库,数据会被平凡修改,如果每次修改字符串都会执行一次内存重分配的话,会对新嗯呢该造成影响。
- SDS通过未使用空间接触了字符串长度和底层数组长度的关联:在SDS中,buf数组的长度不一定就是字符数量+1,数组里面可以包含未使用的字节,由free属性记录。对于未使用空间,SDS使用了空间预分配和惰性空间释放两种优化策略:
- 空间预分配:当SDS的API对SDS修改并需要空间扩展时,程序不仅为SDS分配修改所需的空间,还会分配额外的未使用空间(取决于长度是否小于1MB)。
- 惰性空间释放:当SDS的API需要缩短时,程序不立即触发内存重分配,而是使用free属性将这些字节的数量记录下来,并等待将来使用。与此同时,SDS API也可以让我们真正师范未使用空间,防止内存浪费。
二进制安全。
- C字符串中的字符必须复合某种编码(如ASCII),除了字符串末尾之外,字符串里不能包含空字符。这些限制使得C字符串只能保存文本,而不是不能保存二进制数据。
- SDS API会以处理二进制的方式处理SDS存放在buf数组中的数据,写入时什么样,读取时就是什么样。
兼容部分C字符串函数。遵循C字符串以空字符结尾的管理,SDS可以重用<string.h>函数库。
| C字符串 | SDS |
|---|---|
| 获取长度的复杂度O(N) | O(1) |
| API不安全,缓冲区溢出 | API安全,不会缓冲区溢出 |
| 修改字符串长度必然导致内存重分配 | 修改字符串长度不一定导致内存重分配 |
| 只能保存文本数据 | 可以保存文本或二进制数据 |
| 可使用所有<string.h>库的函数 | 可使用部分<string.h>库的函数 |
SDS API
| 函数 | 作用 | 时间复杂度 |
|---|---|---|
| sdsnew | 创建一个包含给定C字符串的SDS | O(N) |
| sdsempty | 创建一个不包含任何内容的SDS | O(1) |
| sdsfree | 释放SDS | O(N) |
| sdslen | 返回SDS已使用的字节数 | O(1) |
| sdsavail | 返回SDS未使用的字节数 | O(1) |
| sdsdup | 创建一个给定SDS的副本 | O(N) |
| sdsclear | 清空SDS保存的字符串内容 | O(1),惰性释放 |
| sdscat | 将给定C字符串拼接到SDS字符串的末尾 | O(N) |
| sdscatsds | 将给定SDS字符串拼接到另一个SDS的末尾 | O(N) |
| sdscpy | 复制 | O(N) |
| sdsgrowzero | 用空字符将SDS扩展至给定长度 | O(N) |
| sdsrange | 保留SDS给定区间内的数据,不在区间内的数据会被覆盖或清除 | O(N) |
| sdstrim | 接受一个SDS和C字符为参数,从SDS中移除C字符串中出现过的字符 | O(N^2) |
| sdscmp | 比较 | O(N) |
2 链表
Redis构建了自己的链表实现。列表键的底层实现之一就是链表。
发布、订阅、慢查询、监视器都用到了链表。Redis服务器还用链表保存多个客户端的状态信息,以及构建客户端输出缓冲区。
双向链表 代码实现
链表节点用adlist.h/listNode结构来表示
1 | typedef struct listNode { |

adlist.h/list来持有链表:
1 | typedef struct list { |

链表 特点
- 双向无环。表头结点的prev和表尾节点的next都指向NULL
- 带表头指针和表尾指针
- 带链表长度计数器
- 多态。使用void*指针来保存节点值,并通过list结构的dup、free。match三个属性为节点值设置类型特定函数
链表 API
| 函数 | 作用 | 复杂度 |
|---|---|---|
| listSetDupMethod, listSetFreeMethod, listSetMatchMethod | 将给定函数设置为链表的节点值复制/释放/对比函数 | O(1) |
| listGetDupMethod, listGetFreeMethod, listGetMatchMethod | O(1) | |
| listLength | 返回链表长度 | O(1) |
| listFrist | 返回表头结点 | O(1) |
| listLast | 返回表尾结点 | O(1) |
| listPrevNode, listNextNode | 返回给定节点的前置/后置节点 | O(1) |
| listNodeValue | 返回给定节点目前正在保存的值 | O(1) |
| listCreate | 创建一个不包含任何节点的新链表 | O(1) |
| listAddNodeHead, listAddNodeTail | 将一个包含给定值的新节点添加到表头/表尾 | O(1) |
| listSearchKey | 查找并返回包含给定值的节点 | O(N) |
| listIndex | 返回链表在给定索引上的节点 | O(N) |
| listDelNote | 删除给定节点 | O(N) |
| listRotate | 将链表的表尾结点弹出,然后将被弹出的节点插入到链表的表头,成为新的表头结点 | O(1) |
| listDup | 复制一个给定链表的副本 | O(N) |
| listRelease | 释放给定链表,及所有节点 | O(N) |
3 字典
Redis的数据库就是使用字典来作为底层实现的,对数据库的增删改查都是构建在字典的操作之上。
字典还是哈希键的底层实现之一,但一个哈希键包含的键值对比较多,又或者键值对中的元素都是较长的字符串时,Redis就会用字典作为哈希键的底层实现。
字典的实现
Redis的字典使用哈希表作为底层实现,每个哈希表节点就保存了字典中的一个键值对。
Redis字典所用的哈希表由dict.h/dictht结构定义:
1 | typedef struct dictht { |
哈希表节点使用dictEntry结构表示,每个dictEntry结构都保存着一个键值对:
1 | typedef struct dictEntry { |

Redis中的字典由dict.h/dict结构表示:
1 | typedef struct dict { |
type和privdata是针对不同类型的键值对,为创建多态字典而设置的:
- type是一个指向dictType结构的指针,每个dictType都保存了一簇用于操作特定类型键值对的函数,Redis会为用途不同的字典设置不同的类型特定函数。
- privdata保存了需要传给那些类型特定函数的可选参数。
1 | typedef struct dictType { |
哈希算法
Redis计算哈希值和索引值的方法如下:
1 | # 使用字典设置的哈希函数,计算key的哈希值 |
当字典被用作数据库或哈希键的底层实现时,使用MurmurHash2算法来计算哈希值,即使输入的键是有规律的,算法人能有一个很好的随机分布性,计算速度也很快。
解决键冲突
Redis使用链地址法解决键冲突,每个哈希表节点都有个next指针。

Rehash
随着操作的不断执行,哈希表保存的键值对会增加或减少。为了让哈希表的负载因子维持在合理范围,需要对哈希表的大小进行扩展或收缩,即通过执行rehash(重新散列)来完成:
为字典的ht[1]哈希表分配空间:
- 如果执行的是扩展操作,ht[1]的大小为第一个大于等于ht[0].used * 2 的2^n
- 如果执行的是收缩操作,ht[1]的大小为第一个大于等于ht[0].used的2^n
将保存在ht[0]中的所有键值对rehash到ht[1]上。rehash是重新设计的计算键的哈希值和索引值
释放ht[0],将ht[1]设置为ht[0],并为ht[1]新建一个空白哈希表
哈希表的扩展与收缩
满足一下任一条件,程序会自动对哈希表执行扩展操作:
- 服务器目前没有执行BGSAVE或BGREWRITEAOF,且哈希表负载因子大于等于1
- 服务器正在执行BGSAVE或BGREWRITEAOF,且负载因子大于5
其中负载因子的计算公式:
1 | # 负载因子 = 哈希表已保存节点数量 / 哈希表大小 |
注:执行BGSAVE或BGREWRITEAOF过程中,Redis需要创建当前服务器进程的子进程,而多数操作系统都是用写时复制来优化子进程的效率,所以在子进程存在期间,服务器会提高执行扩展操作所需的负载因子,从而尽可能地避免在子进程存在期间扩展哈希表,避免不避免的内存写入,节约内存。
渐进式rehash
将ht[0]中的键值对rehash到ht[1]中的操作不是一次性完成的,而是分多次渐进式的:
- 为ht[1]分配空间
- 在字典中维持一个索引计数器变量rehashidx,设置为0,表示rehash工作正式开始
- rehash期间,每次对字典的增删改查操作,会顺带将ht[0]在rehashidx索引上的所有键值对rehash到ht[1],rehash完成之后,rehashidx属性的值+1
- 最终ht[0]会全部rehash到ht[1],这是将rehashidx设置为-1,表示rehash完成
渐进式rehash过程中,字典会有两个哈希表,字典的增删改查会在两个哈希表上进行。
字典API
| 函数 | 作用 | 时间复杂度 |
|---|---|---|
| dictCreate | 创建一个新的字典 | O(1) |
| dictAdd | 添加键值对 | O(1) |
| dictReplace | 添加键值对,如已存在,替换原有 | O(1) |
| dictFetchValue | 返回给定键的值 | O(1) |
| dictGetRandomKey | 随机返回一个键值对 | O(1) |
4 跳表
跳跃表是一种有序数据结构,它通过在每个节点中维持多个指向其他节点的指针,从而达到快速访问的目的。
跳跃表支持平均O(logN)、最坏O(N) 的查找,还可以通过顺序性操作来批量处理节点。
Redis使用跳跃表作为有序集合键的底层实现之一,如果有序集合包含的元素数量较多,或者有序集合中元素的成员是比较长的字符串时,Redis使用跳跃表来实现有序集合键。
在集群节点中,跳跃表也被Redis用作内部数据结构。
跳表 代码实现
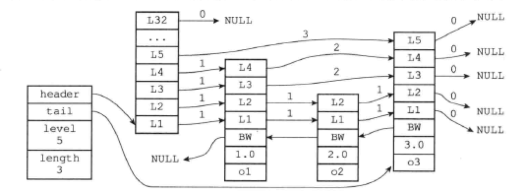
Redis的跳跃表由redis.h/zskiplistNode和redis.h/zskiplist两个结构定义,其中zskiplistNode代表跳跃表节点,zskiplist保存跳跃表节点的相关信息,比如节点数量、以及指向表头/表尾结点的指针等。
- 由很多层结构组成;
- 每一层都是一个有序的链表,排列顺序为由高层到底层,都至少包含两个链表节点,分别是前面的head节点和后面的nil节点;
- 最底层的链表包含了所有的元素;
- 如果一个元素出现在某一层的链表中,那么在该层之下的链表也全都会出现(上一层的元素是当前层的元素的子集);
- 链表中的每个节点都包含两个指针,一个指向同一层的下一个链表节点,另一个指向下一层的同一个链表节点;

跳跃表是基于多指针有序链表实现的,可以看成多个有序链表。
1 | typedef struct zskiplist { |
zskiplist结构包含:
- header:指向跳跃表的表头结点
- tail:指向跳跃表的表尾节点
- level:记录跳跃表内,层数最大的那个节点的层数(表头结点不计入)
- length:记录跳跃表的长度, 即跳跃表目前包含节点的数量(表头结点不计入)
1 | typedef struct zskiplistNode { |
zskiplistNode包含:
level:节点中用L1、L2、L3来标记节点的各个层,每个层都有两个属性:前进指针和跨度。前进指针用来访问表尾方向的其他节点,跨度记录了前进指针所指向节点和当前节点的距离(图中曲线上的数字)。
- level数组可以包含多个元素,每个元素都有一个指向其他节点的指针,程序可以通过这些层来加快访问其他节点。层数越多,访问速度就越快。没创建一个新节点的时候,根据幂次定律(越大的数出现的概率越小)随机生成一个介于1-32之间的值作为level数组的大小。这个大小就是层的高度。
- 跨度用来计算排位(rank):在查找某个节点的过程中,将沿途访问过的所有层的跨度累计起来,得到就是目标节点的排位。
后退指针:BW,指向位于当前节点的前一个节点。只能回退到前一个节点,不可跳跃。
分值(score):节点中的1.0/2.0/3.0保存的分值,节点按照各自保存的分值从小到大排列。节点的分值可以相同。
成员对象(obj):节点中的o1/o2/o3。它指向一个字符串对象,字符串对象保存着一个SDS值。
注:表头结点也有后退指针、分值和成员对象,只是不被用到。
与红黑树等平衡树相比,跳跃表具有以下优点:
- 插入速度非常快速,因为不需要进行旋转等操作来维护平衡性;
- 更容易实现;
- 支持无锁操作。
跳表使用
遍历所有节点的路径
- 访问跳跃表的表头,然后从第四层的前景指正到表的第二个节点。
- 在第二个节点时,沿着第二层的前进指针到表中的第三个节点。
- 在第三个节点时,沿着第二层的前进指针到表中的第四个节点。
- 但程序沿着第四个程序的前进指针移动时,遇到NULL。结束遍历。
查找指定的值
在查找时,从上层指针开始查找,找到对应的区间之后再到下一层去查找。
跳跃表API
| 函数 | 作用 | 时间复杂度 |
|---|---|---|
| zslCreate | 创建一个跳跃表 | O(1) |
| zslFree | 释放跳跃表,以及表中的所有节点 | O(N) |
| zslInsert | 添加给定成员和分值的新节点 | 平均O(logN),最坏O(N) |
| zslDelete | 删除节点 | 平均O(logN),最坏O(N) |
| zslGetRank | 返回包含给定成员和分值的节点在跳跃表中的排位 | 平均O(logN),最坏O(N) |
| zslGetElementByRank | 返回给定排位上的节点 | 平均O(logN),最坏O(N) |
| zslIsInRange | 给定一个range,跳跃表中如果有节点位于该range,返回1 | O(1),通过表头结点和表尾节点完成 |
| zslFirstInRange, zslLastInRange | 返回第一个/最后一个符合范围的节点 | 平均O(logN),最坏O(N) |
| zslDeleteRangeByScore | 删除所有分值在给定范围内的节点 | O(N) |
| zslDeleteRangeByRank | 删除所有排位在给定范围内的节点 | O(N) |
5 整数集合——特殊情况
整数集合(intset)是集合键的底层实现之一,当一个集合只包含整数值元素,并且数量不多时,Redis采用整数集合作为集合键的底层实现。
整数集合的实现
整数集合,可以保存int16_t、int32_t或者int64_t的整数值,且元素不重复,intset.h/intset结构表示一个整数集合:
1 | typedef struct intset { |

上图中,contents数组的大小为sizeof(int16_t) * 5 = 80位。
升级
每当添加一个新元素到整数集合中,且新元素的类型比现有所有元素的类型都要长时,整数集合需要先升级(update),然后才能添加新元素:
- 根据新元素的类型,扩展底层数组的空间大小,并未新元素分配空间。
- 将底层数组现有元素转换成与新元素相同的类型,并放置在正确的位置上(从后向前遍历)。放置过程中,维持底层数组的有序性质不变。
- 将新元素添加到底层数组里。
因为每次升级都可能对所有元素进行类型转换,所以复杂度为O(N)。
PS. 因为引发升级的新元素长度比当前元素都大,所以它的值要么大于当前所有元素,要么就小于。前种情况放置在底层数组的末尾,后种情况放置在头部。
升级的好处
升级有两个好处
提升整数集合的灵活性
我们可以随意地将int16_t、int32_t添加到集合中,不必担心出现类型错误,毕竟C是个静态语言。
尽可能解约内存
避免用一个int64_t的数组包含所有元素
降级
整数集合不支持降级。
整数集合API
| 函数 | 作用 | 时间复杂度 |
|---|---|---|
| intsetNew | 创建一个新的整数集合 | O(1) |
| intsetAdd | 添加指定元素 | O(N) |
| intsetRemove | 移除指定元素 | O(N) |
| intsetFind | 检查给定值是否存在 | 因为底层数组有序,所以O(logN) |
| insetRandom | 随机返回一个元素 | O(1) |
| intsetGet | 返回给定索引上的元素 | O(1) |
| intsetLen | 返回元素个数 | O(1) |
| intsetBlobLen | 返回占用的内存字节数 | O(1) |
6 压缩列表——特殊情况
压缩列表(ziplist)是列表键和哈希键的底层实现之一。当一个列表键只包含少量列表键,并且每个列表项要么就是小整数值,要么就是长度较短的字符串,那么Redis就会使用压缩列表来实现列表键。
当一个哈希键只包含少量键值对,并且每个键值对要么是小整数值,要么是长度较短的字符串,Redis就会使用压缩列表来实现哈希键。
压缩列表的构成
压缩列表是Redis为了节约内存而开发的,由一系列特殊编码的连续内存块组成的顺序型(sequential)数据结构。一个压缩列表可以包含多个节点(entry),每个节点可以保存一个字节数组或者一个整数值。
压缩列表的各组成部分:
zlbytes | zltail | zllen | entry1 | entry2 | … | entryN | zlend
其中,
| 属性 | 类型 | 长度 | 用途 |
|---|---|---|---|
| zlbytes | uint32_t | 4字节 | 记录压缩列表占用的内存字节数:在内存重分配,或计算zlend的位置时使用 |
| zltail | uint32_t | 4字节 | 记录表尾结点距离起始地址的字节数:通过这个偏移量,程序可以直接确定表尾结点的地址 |
| zllen | uint16_t | 2字节 | 记录节点数量:但这个属性小于UINT16_MAX(65535)时,这个属性的值就是节点的数量。如果等于UINT16_MAX,节点的真实数量要遍历整个压缩列表才能得到 |
| entryX | 列表节点 | 不定 | 各个节点,节点的长度由保存的内容决定 |
| zlend | uint8_t | 1字节 | 特殊值0xFF,标记压缩列表的尾端 |
压缩列表节点的构成
压缩列表的节点可以保存一个字节数组或者一个整数值。压缩节点的各个组成部分:
- previous_entry_length
- encoding
- content
previous_entry_length
previous_entry_length以字节为单位,记录前一个节点的长度。previous_entry_length属性的长度可以是1字节或5字节:
- 若前一节点的长度小于254字节,那么previous_entry_length属性的长度就是1字节。前一节点的长度保存在其中。
- 若前一节点的长度大于254字节,那么previous_entry_length属性的长度就是5字节:其中属性的第一个字节被设置为0xFE(十进制254),而之后的四个字节则用于保存前一节点的长度。
程序可以通过指针运算,根据当前节点的起始地址来计算出前一个结点的起始地址。压缩列表的从尾向头遍历就是据此实现的。
encoding
节点的encoding记录了节点的content属性所保存的数据的类型和长度:
- 1字节、2字节或者5字节长,值的最高位为00、01或10的是字节数组编码:这种编码表示节点的content保存的是字节数组,数组的长度由编码除去最高两位置后的其他位记录。
- 1字节长。值的最高位以11开头的是整数编码:表示content保存着整数值,整数值的类型和长度由编码除去最高两位之后的其他位记录。
content
content保存节点的值,可以使字节数组或整数,值的类型和长度由encoding属性决定。
保存字节数组“hello world”的节点:
| previoid_entry_length | encoding | content |
|---|---|---|
| … | 00001011 | “hello world” |
保存整数10086的节点:
| previoid_entry_length | encoding | content |
|---|---|---|
| … | 11000000 | 10086 |
连锁更新
因为previoid_entry_length的长度限制,添加或删除节点都有可能引发「连锁更新」。在最坏的情况下,需要执行N次重分配操作,而每次空间重分配的最坏复杂度是O(N),合起来就是O(N^2)。
尽管如此,连锁更新造成性能问题的概率还是比较低的:
- 压缩列表里有多个连续的、长度介于250和253字节之间的节点,连锁更新才有可能触发。
- 即使出现连锁更新,只要需要更新的节点数量不多,性能也不会受影响。
压缩列表API
| 函数 | 作用 | 复杂度 |
|---|---|---|
| ziplistNew | 创建新的压缩列表 | O(1) |
| ziplistPush | 创建一个包含给定值的新节点,并添加到表头或尾 | 平均O(N),最坏O(N^2) |
| ziplistInsert | 将包含给定值的新节点插入到给定节点之后 | 平均O(N),最坏O(N^2) |
| ziplistIndex | 返回给定索引上的节点 | O(N) |
| ziplistFind | 查找并返回给定值的节点 | 因为节点的值可能是一个数组,所以检查节点值和给定值是否相同的复杂度为O(N),查找整个列表的复杂度为O(N^2) |
| ziplistNext | 返回给定节点的下一个节点 | O(1) |
| ziplistPrev | 返回给定节点的前一个节点 | O(1) |
| ziplistGet | 获取给定节点所保存的值 | O(1) |
| ziplistDelete | 删除给定节点 | 平均O(N),最坏O(N^2) |
| ziplistDeleteRange | 删除在给定索引上的连续多个节点 | 平均O(N),最坏O(N^2) |
| ziplistBlobLen | 返回压缩列表占用的内存字节数 | O(1) |
| ziplistLen | 返回包含的节点数量 | 节点数量小于65535时为O(1),否则为O(N) |










